Информация о файле
THOMSON T28ED12DU-01B
НЕОБХОДИМО ИСПОЛЬЗОВАТЬ ПАМЯТЬ WINBOND W25Q64FVSIG
ПАМЯТЬ GIGADEVICE GD25Q64BSIG НЕ ПОДХОДИТ - АППАРАТ НЕ ВКЛЮЧАЕТСЯ
НА cFEON Q64-104HIP (с T26с11DU) РАБОТАЕТ, НО ПОЛНОСТЬЮ НЕ ТЕСТИРОВАЛОСЬ
НА МС ДРУГИХ ПРОИЗВОДИТЕЛЕЙ НЕ ПРОВЕРЯЛОСЬ
USB_UPGRADE_Обновление ПО
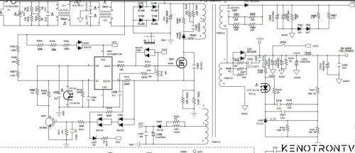
Схема MIPE07R31D_MT31BP_ 三合一规格书(内部)V1.0
Power
U401 LD7536/R7736
QW1 4N65
Q401 BT3904
Q601 ME25N06/APM1110NU

Рекомендуемые комментарии
Напишите свой первый подробный комментарий!
Для публикации сообщений создайте учётную запись или авторизуйтесь
Вы должны быть пользователем, чтобы оставить комментарий
Создать аккаунт
Это очень просто!
РегистрацияВойти
Уже есть аккаунт? Войти в систему.
Войти