Информация о файле
LCD TV SERVICE MANUAL
LG MODEL : 32LH2000 32LH2000-ZA
LG MODEL : 32LH2010 32LH2010-ZB
CHASSIS : LD91A
Mstar S6 SDDR_A[0:12] LGE3368A (No-DVIX) (IC100)
Tuner (TDFW-G235D1) TU1000
Buffer 74LVC541A IC502
Buffer 74LCX244 IC501
TPA6110A IC700 - Head Phone
MAX3232CDR IC403
TCON with FRC MST7327N IC101
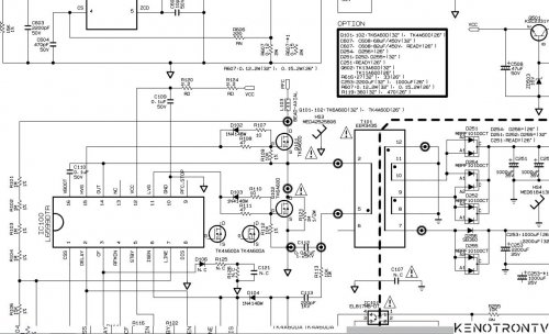
Источник Питания LG LGP32-09P__EAY58582801__EAX55176301.
LCD TV 32LH20; 26LH20; 32LH30; 32LH35__32LF20-32LF11-UA (1)

Рекомендуемые комментарии
Напишите свой первый подробный комментарий!
Для публикации сообщений создайте учётную запись или авторизуйтесь
Вы должны быть пользователем, чтобы оставить комментарий
Создать аккаунт
Это очень просто!
РегистрацияВойти
Уже есть аккаунт? Войти в систему.
Войти