Информация о файле
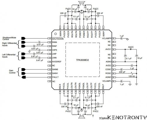
TPA3008D2
10-W STEREO CLASS-D AUDIO POWER AMPLIFIER
Вы сможете написать отзыв только после скачивания файла.
Мы будем признательны за любую дополнительную полезную информацию по данной прошивке, которую вы сможете предоставить.
Ваши отзывы и отчеты помогут определить работоспособность загруженного дампa и подходит ли он для вашего телевизора,
который вы указали в комментариях перед скачиванием этого файла.
Веруддин опубликовал файл в eMMC, NAND FLASH FULL SET, , файл
LiOn_EyEs опубликовал файл в Обновление ПО USB, , файл
VEK опубликовал файл в eMMC, NAND FLASH FULL SET, , файл
Rogk19 опубликовал файл в Обновление ПО USB, , файл
Камчатка опубликовал тема в Ремонт TFT(LCD), , тема