Перейти к содержанию

4 изображения

Информация о файле

TCL L65P1US circuit diagram
В архиве схема 40-MS68AD-MAC2HG-12V
12V TO 5V - UDH1 TPS56528
12V TO 1V2_VDDC - UDB0 MP8765,
5V TO DDR 1V5 AN_SY8034
MAXLINER TUNER MXL661 ON BOARD
UT1 MXL661
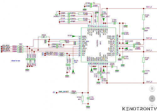
AMP_AUDIO
UA01 TAS5707


Обратная связь

Рекомендуемые комментарии

Напишите свой первый подробный комментарий!

Для публикации сообщений создайте учётную запись или авторизуйтесь

Вы должны быть пользователем, чтобы оставить комментарий

Создать аккаунт

Это очень просто!

Регистрация

Войти

Уже есть аккаунт? Войти в систему.

Войти
  • Избранное

    • Взаимозаменяемость шасси TV  на примере HK.T.RT2871P838
      В ремонте телевизор Novex NVX-50U329MSY с неисправной EMMC (не включается) , повтор после замены EMMC на KLM8G1GЕТF-В041.
      шасси HK.T.RT2871P838
      дисплей V500DJ7-QE1 E8.
      Как   решение (по результатам поиска прошивок по модели тв) заменил шасси на CV9632H-A50, подходит также шасси KV9632-A55 (из того, что имелось в наличии)
      нужны только железные заглушки и допилинг заглушек до крепежа на корыте.
      Картинка обычная в обеих случаях, не перевернута, не двоится, не зеркальная, чистая. Пульт подходит, даже сопрягать не понадобилось.
      LVDS использован от устанавливаемых замен, заглушки не выкидывайте при разбре на запчасти.))

       
       
       
       
       
        • Спасибо
        • Отлично!
      • 1 ответ
    • KEMPI MINARC EVO 180
      Данный вид аппаратов ремонтирую на потоке, на него в сети есть описание и блочные схемы в свободном доступе, но нет общей схемы.
      Поделюсь алгоритмом ремонта и неисправности почти во всех таких экземплярах.
      Так как в аппарате используется SMD элементы, очень боится влаги.Снимаем сразу (пока не поздно) дроссель накачки


      Скрытый контент
      PFC L3

      чистим и промываем под ним, под ним проходят дорожки на термозащиту модулей, при попадании влаги 400 вольт пробивает на эти дорожки и уносит сразу контроллер управления, так как он гальванически не развязан с силой, горячий GND.Процентов 40 из всего количества приходится на эту болячку,после чистки заливаем все лаком и сушим. Эту процедуру желательно делать с магазина.
      Так же рядом с L3 стоят делители которые тоже очень часто плывут,


      Скрытый контент
      R71-470 R70-470 R72-330 R74-330 R77-15 R54-330 R75-330 R73-330 все в кОм.

      В мануале дано фото платы контроллера с обозначением выводов и их функции, с замеров на ней и стоит начинать ремонт.
      На фото черным текстом даны напряжения и сопротивления с полностью рабочего аппарата в режиме холостого хода, красным отмечены напряжения с неисправных аппаратов.Почти в 60 процентов случаях были неисправны эти резисторы, что приводило к разным симптомам, резисторы залиты толстым слоем силикона и плывут по черному во время работы.
      11-uin_peak/100 напряжение сети, через диод, R10.R17.R19.R43 делитель подается на вывод контроллера, При оборванном R43 на выводе будет 5.5 вольта.
      Аппарат будет пытаться работать, но не будет вых.напряжения и не будет подхватывать реле цепи заряда конденсаторов.
      10-UDC/100 напряжение снимаемое с конденсаторов PFC. такая же цепочка 390-400 вольт через делитель R38.R41.R39 подается на выв.контроллера, при обрыве R39 будет 5.5 вольта, аппарат будет полностью включатся но не будет выходного напряжения.Эти резисторы находятся под силовым трансформатором, не очень видны они.Так же встречал информацию о плавающем R118 c холодной стороны оптопар, но сам не встречал.
      Возле трансформатора еще делители которые окисляются и уплывают,резисторы: 



      Скрытый контент
      R142-4.7кОм R143-4.7кОМ R100-3.3кОм R133-3.3 R92-100 Ом R90-R91 470 Ом.

      В аппарате 3 датчика термозащиты, 2 в модулях по 28 кОм каждый и один в трансформаторе менее 100 Ом.Дорожки к ним идут через весь аппарат, возможно обрывы и т.д, общий для датчиков отдельный называется PTC-COMMON.
      PFC/ON/OFF включение PFC
      FAN ON/OFF включение вентилятора
      CHA RELAY ON/OF включение реле заряда конденсаторов
       
       
        • Спасибо
        • Отлично!
      • 2 ответа
    • Варианты прошивки ПО USB TV
      Варианты прошивки TV ERISSON 

      Скидываем файлы на USB накопитель:



      Скрытый контент
        (Вариант 1). Подключаем USB-- включаем вилку шнура питания в розетку—(горит светодиод-ТВ в дежурном режиме) зажимаем кн. «Power» на ТВ и держим секунд 10-15.
      Светодиод должен начать моргать и должна пойти прошивка.
      (Вариант 2).
      Шнур ТВ не подключен к 220В -Подключаем USB-- зажимаем кн. «Power» на ТВ и держим при этом включаем вилку шнура питания в розетку — секунд через 10 светодиод должен начать моргать и должна пойти прошивка.
      (Вариант 3).
      Выключаем от розетки ТВ—вставляем накопитель—включаем шнур питания в розетку — ТВ должен сам начать прошиваться, ход прошивки отображается на экране.
      (Вариант 4). Вставляем накопитель пытаемся в пользовательском меню найти пункт «Обновление ПО» и произвести обновление.
      (Вариант 5). Вставляем накопитель в ТВ в разъём (USB 2.0)
      Заходим в сервис: MENU 1147*, выбираем пункт «SYS Upgrade»-- пытаемся обновить ТВ через данный пункт сервисного меню.



      * По одному из описанному выше вариантов ТВ должен обновить ПО.
      P/S  Если обновить не получится, то тогда нужно рассматривать вариант прошивки тв программатором.
      * Здесь представлен вариант прошивки для ТВ 28LEA20T2SM
        • Спасибо
        • Отлично!
      • 57 ответов
    • Hi RX-32F02FB, HV320FHB-F41, USB Firmware Software
      USB Firmware Software: 
      RX-32F02FB H198_Russia_P50_352V50_352E_2x512M_8G_PAL_T2_C_SW600ma_InvertOff_dolbyon
      HV320FHB_F41_IR_RUSSIA_HI_08F7_8O8W_TitanOS1_HI_861f33dda10_20230718_114703_NO
      • 1 ответ
    • Starwind SW-LED50UA401SW
      Зависал на заставке, не разбирал, обновил по USB.
      Лого будет другое, пульт подходит! 
      Русский язык есть.
      07AC88703CE79D4DE16CBFD7B86202CC *RTK2851P.IMG
      Порядок обновления, дамп в корень кинуть файл RTK2851P.img, вставить флешку, зажать кнопку вкл и вставить в розетку провод!
       
      • 0 ответов
  • Статистика Загрузок

    9 281
    Файлы
    1 727
    Комментариев
    1 092
    Отзывов
    Последний файл
    Автор Веруддин

    0    0

Объявления

×
×
  • Создать...

Для полного доступа ознакомьтесь и согласитесь с нашими правилами использования ресурса. Пожалуйста, уделите этому внимание и прочтите правила внимательно!

Правила Условия использования Политика конфиденциальности Мы разместили cookie-файлы на ваше устройство, чтобы помочь сделать этот сайт лучше. Вы можете изменить свои настройки cookie-файлов, или продолжить без изменения настроек.