Информация о файле
AMSUNG CK-5339TR, Chassis SCT-11D, не включается в рабочий режим
В ремонте SAMSUNG CK-5339TR с поломкой не включается в рабочий режим.
Открываю крышку и вижу БП собран на "сладкой парочке" ( всеми давно изученный)
Беглый осмотр показал, что вздуты литы во вторичке, от стаба R2K остался пепел.
Подаю питание та тв, при этом тестер показывает на B+ 280в.
Покупаю комплект SMR, HIS, R2K, C-22/50 (у нас он стоит 300р)
После установки нужных деталей включаю тв в дежурный режим на выходе 140в.
С этого ремонт по сути только и начался. В рабочий режим аппарат не с локальной клавиатуры не с пульта включаться не хочет.
На 18pin процессора постоянно высокий уровень.
С эмитировал команду POWER, замкнув базу QT03 на корпус, при этом появился растр с обратным ходом луча.
Питание дежурного режима составило 5,1в, также были подкинуты кварц на 12МГц и память.
Результата это никакого не принесло...
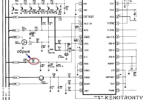
Всё больше появлялась мысль, что сдох процессор, но повнимательнее обследовав обвязку обнаружил подгоревший резистор R914- 150ом.
Он то и оказался в обрыве.
В результате его замены телевизор ожил, а кинескоп сохранился за 15 лет просто супер.
