Информация о файле
ELENBERG 2108, Chassis KP21TK202A3, рокот при нахождении тв в дежурном режиме.
ELENBERG 2108, Chassis KP21TK202A3
UOC - TDA12060H1/N1F00
Memory - 24C16WP
SMPS - STR-W6753
Vertical - STV9302B
Sound - TDA2615
Tuner - ETA-SF03/12
FBT - BSC25-0147 30002223
HOT - D2102
В ремонте ELENBERG 2108 с поломкой рокот при нахождении тв в дежурном режиме.
Ко всему прочему при этом телевизор не включается с пульта, а включить можно толькос передней панели.
Если аппарат включился, то работает нормально, и управляется пультом.
Замер выходных напряжений в рабочем и дежурном режимах показало,что всё в норме.
Проверка электролитов во вторичке на ESR тоже норма.Далее решил проверить осциллографом напруги на предмет пульсаций,
и увидел следующее
Режим измерения: время /дел-5мс ,вольт/ дел-2вНа шине 25в в деж.р-7,3в На шине 25в в раб.р-21,5в
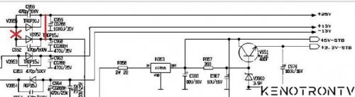
На моей схеме есть отличия, а именно отсутствие VD952 и C952. По всей видимости помеха по шине 25в влияет на +5V-STB и +3.3V-STB,
что и приводит к не включению с пульта.
Далее отключил нагрузку по +25в ( отпаял 7н.микр.TDA2615 ),
посмотрел по осциллографу в деж.р помехи нет, при этом аппарат прекрасно стартует с пульта.
Проверив обвязку УНЧ нашёл пробитый лит. C209
Итог: замена TDA2615 и C209(470Х35) решила проблему с телевизором.
