Информация о файле
Preliminary GR8875 Series
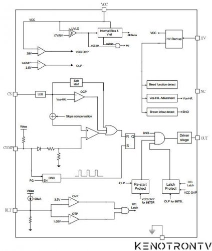
Green-Mode PWM Controller with High Voltage Startup Circuit
Absolute Maximum Ratings
Supply Voltage VCC --------------------------------------------------------------------------------------------------------- 30V
High-Voltage Pin, HV --------------------------------------------------------------------------------------------- - 0.3 ~ 500V
COMP, RTL, CS ------------------------------------------------------------------------------------------------------- -0.3 ~ 7V
Junction Temperature ---------------------------------------------------------------------------------------------------- 150℃
Operating Ambient Temperature ----------------------------------------------------------------------------- -40℃ ~ 85℃
Storage Temperature Range --------------------------------------------------------------------------------- -65℃ ~ 150℃
SOP-8/SOP-7 Package Thermal Resistance -------------------------------------------------------------------- 160℃/W
DIP-8 Package Thermal Resistance ------------------------------------------------------------------------------ 100℃/W
Power Dissipation (SOP-8, at Ambient Temperature = 85 ) ℃ ----------------------------------------------- 400 mW
Power Dissipation (DIP-8, at Ambient Temperature = 85 ) ℃ ------------------------------------------------- 650mW
Lead Temperature (SOP-8 & DIP-8, soldering, 10sec) ------------------------------------------------------- 230℃
Lead Temperature (All Pb free packages, soldering, 10sec) ------------------------------------------------ 260℃
ESD Voltage Protection, Human Body Model (except HV pin) ------------------------------------------------ 3KV
ESD Voltage Protection, Machine Model ---------------------------------------------------------------------------- 300V
