Информация о файле
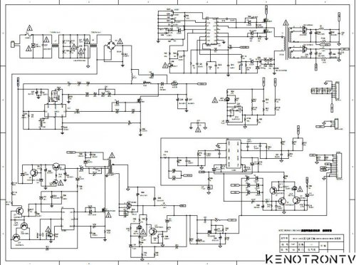
K-150S1 (465-0101-L6501G) POWER SUPPLY LED TV SCHEMATIC
Схема БП K-150S1 (465-0101-L6501G)
ROLSEN RL-42L700F3D
Краткий состав: L6599, L6562, OB2262, LM358(AS358M)
Применяется в TV TCL, RUBIN, BENQ.
Что нового в версии 01 Просмотр изменений
Размещено
Для этой версии изменений нет.
