Перейти к содержанию

3 изображения

Информация о файле

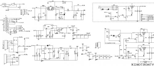
TELEFUNKEN USB Upgrade IB MSD209, MSD106.

Doc Circuit diagram of L2M15(04).pdf

USB Upgrade

1. Please change the software file name to “AP.BIN”, and copy it into USB.

2. Power on TV, select AVT source.

Then, plug USB. System will display “Picture 1” if found the upgrade file. If can not find, please power off TV, and power on again.

3. Select “Yes” to update. .

 

Noted please:

Don’t power off TV during upgrading process.

If failed, please upgrade it by ISP tool.

 

 


Обратная связь

Вы сможете написать отзыв только после скачивания файла.


LiVan

  
  • Избранное

    • SAMSUNG UE55AU7002U, BN9655059C, 3IN1-A SU2E_JDM
      майн  BN9655059C 3IN1-A SU2E_JDM
      проц  SDP20405
      еммс  KLM8G1GETF-B041 (8GB) 5.1
      матр  LC550EQQ(SM)(A4)  TPT550WR-EQQ.G
      бп    3IN1_Kant_Su2e_TVP_55
      T-con 6870C-0805A
      IC502  24_512
      IC503  EN25Q40
        • Спасибо
      • 0 ответов
    • MERELY MRL-LED32HDS100T2 (SmartTV), TP.MT9216.PB766, MT9256, CV320H2-F01, USB Firmware Software
      Прошивка установилась успешно, всё функционирует нормально.
      Продолжу тестирование. Огромное спасибо!
      MERELY MRL-LED32HDS100T2 (SmartTV), TP.MT9216.PB766, MT9256, CV320H2-F01
      USB Firmware Software:
       CP23038608_CX_TK2303_402_TP_MT9216_PB766_MT9256_RUSSIA_CV320H2_F01_IR616_LOGO_MERELY_8GB_1GB_DDR4_P_DD_1KEY_REF75_V6_0_0_e6f53f1b_20230413_183122
        • Отлично!
      • 4 ответа
    • HORIZONT 55LE7053D, CV9632-KH, C500Y19-7N, USB Firmware Software
      HORIZONT 55LE7053D,
      Main Board CV9632-KH
      Panel C500Y19-7N
      USB Firmware Software
      CtvUpgrade.bin
        • Отлично!
      • 4 ответа
    • Все дистрибутивы UFPI для Windows
      Все дистрибутивы UFPI для Windows
      09.10.2023 - добавлена новая версия ufpi_v212_build_2023_10_09_win_x86.exe
      07.12.2023 - добавлена новая версия ufpi_v213_build_2023_12_07_win_x86.exe
      05.02.2024 - добавлена новая версия ufpi_v214_build_2024_02_05_win_x86.exe
      11.04.2024 - добавлена новая версия ufpi_v215_build_2024_04_11_win_x86.exe
      16.05.2024 - добавлена новая версия ufpi_v216_build_2024_05_16_win_x86.exe
      05.08.2024 - добавлена новая версия ufpi_v217_build_2024_08_05_win_x86.exe
      04.09.2024 - добавлена новая версия ufpi_v218_build_2024_09_04_win_x86.exe
      09.10.2024 - добавлена новая версия ufpi_v219_build_2024_10_09_win_x86.exe
      09.12.2024 - добавлена новая версия ufpi_v220_build_2024_12_09_win_x86.exe
      30.12.2024 - добавлена новая версия ufpi_v221_build_2024_12_30_win_x86.exe
      04.03.2025 - добавлена новая версия ufpi_v222_build_2025_03_04_win_x86.exe
      03.09.2025 - добавлена новая версия ufpi_v223_build_2025_09_03_win_x86.exe
       
        • Спасибо
        • Отлично!
      • 11 ответов
    • Замена матрицы HV430FHB-N1A на SAMSUNG UE43J5202AU
      Поступил в ремонт с битым экраном:
      SAMSUNG UE43J5202AU
      Panel: BOEI430WU1 H, HV430FHB-N1A
      T-con: 47-6021139, 44-9771289A
       
      Вместо HV430FHB-N1A поставил T430HVN01.9 все размеры полностью совпадают,
      допиливать не пришлось.
      Получил инверсивное изображение:

      Методом научного тыка выяснил, 
      что контрольная точка "LORD" на t-con 43T01-C0A отвечает за SELECT_PAN, 
      точку LORD посадил на землю через R=200 om

      R - может быть и другим, поставил что подвернулось, скорее всего 100 ом будет правильнее.

       
      Матрица от донора:
      SONY KDL-43WD752
      Panel: T430HVF03.1, T430HVN01.9
      T-con: 43T01-C0A, 5543T01C16
        • Отлично!
      • 1 ответ
  • Статистика Загрузок

    9 301
    Файлы
    1 926
    Комментариев
    1 179
    Отзывов
    Последний файл
    Автор URAT

    0    0

Объявления

×
×
  • Создать...

Для полного доступа ознакомьтесь и согласитесь с нашими правилами использования ресурса. Пожалуйста, уделите этому внимание и прочтите правила внимательно!

Правила Условия использования Политика конфиденциальности Мы разместили cookie-файлы на ваше устройство, чтобы помочь сделать этот сайт лучше. Вы можете изменить свои настройки cookie-файлов, или продолжить без изменения настроек.