Перейти к содержанию

3 изображения


Обратная связь

Вы сможете написать отзыв только после скачивания файла.
Чтобы скачать этот файл, вам нужно написать комментарий к файлу, указав что у вас сейчас в ремонте.
* Добавление фото Main, Panel и бирки на задней крышке TV обязательно!

Мы будем признательны за любую дополнительную полезную информацию по данной прошивке, которую вы сможете предоставить.
Ваши отзывы и отчеты помогут определить работоспособность загруженного дампa и подходит ли он для вашего телевизора, который вы указали в комментариях перед скачиванием этого файла.

  • Избранное

    • Starwind SW-LED50UA401SW
      Зависал на заставке, не разбирал, обновил по USB.
      Лого будет другое, пульт подходит! 
      Русский язык есть.
      07AC88703CE79D4DE16CBFD7B86202CC *RTK2851P.IMG
      Порядок обновления, дамп в корень кинуть файл RTK2851P.img, вставить флешку, зажать кнопку вкл и вставить в розетку провод!
       
      • 0 ответов
    • HOLLEBERG HTV-LED43FHDS101T2, TP.MT5510S.PB803, ST4251B03-2, ПО USB
      HOLLEBERG HTV-LED43FHDS101T2, TP.MT5510S.PB803, ST4251B03-2
      В архиве ПО USB ( allupgrade_5510_8G_1G_ref70.pkg)
      HTV-LED43FHDS101T2 -CS569898_CX_TK2007_216_MT5510S_PB803
      RUSSIAN_ST4251B03_2_IR513EU_LOGO_HOLLEBERG_DD_REF70_8G_1G_V1_9_0_043b45ce_20200902_114759
        • Отлично!
      • 5 ответов
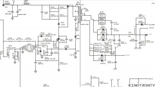
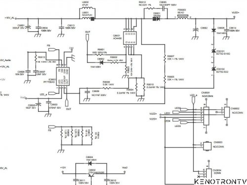
    • SHARP LC-60LE740RU, DUNTKG031FM01 (MediaTek MSD3393LU),  FLASH NAND HY27UF082G2B
      SHARP LC-60LE740RU
      MEMORY FLASH NAND HY27UF082G2B
      24C02-IC2005.bin
      Далее подробно состав TV по фото:
      Телевизор — Sharp LC-60LE740RU, сделан в Польше.
      По составу и платам:
      🔹 Main board (MainUnit)
      Плата: DUNTKG031FM01 / KG0311
      Используется также обозначение: QPWBXG031WJN2
      Основной процессор: MediaTek MSD3393LU
      Память: DDR + NAND Flash (Winbond / Spansion, видны на фото)
      Интерфейсы: 4×HDMI, SCART, компонент, VGA, LAN, USB, тюнер.
      🔹 T-CON board
      Плата: DUNTKG041FM01 / 627698-44LP / KG0411
      Контроллер матрицы, связан шлейфами LVDS с Main.
      Основной чип — RTD2483RD (Realtek)
      🔹 Power board (PSU)
      Плата: RUNTKA933WJQZ
      Производство Delta Electronics.
      Выдаёт стандартные напряжения 5 V / 12 V / 24 V.
      🔹 Матрица
      Матрица: LK600D3LF23 (или LK600D3LF21/LF23 в зависимости от ревизии)
      Диагональ: 60", панель UV²A (Sharp).
      Подсветка Edge LED.
      📦 Итого, состав TV Sharp LC-60LE740RU:
      MainBoard: DUNTKG031FM01 (MediaTek MSD3393LU)
      T-CON: DUNTKG041FM01
      PowerBoard: RUNTKA933WJQZ
      Panel: LK600D3LF23
      Wi-Fi модуль: UWA-BR100 (опциональный, через USB)
      IR / кнопочная плата: DUNTKD071FM01
        • Спасибо
      • 0 ответов
    • Samsung UE43AU9070UXRU полный комплект дампов под UFPI и RT809H
      Samsung UE43AU9070UXRU
      панель: СY-SA043HGHY3V на планке: ST4251D01-B Ver.2.1
      main: BN41-02844D BN94-16838Z
      шасси: Y21_NIKE_L_BUILT_IN
      проц: SDP19403 VER.01
      EMMC: THGBMJG6C1LBAILзаменена на KLM8G1GETF-B041
      версия ПО: T-NKLADEUC-2220.9,BT-S
      THGBMJG6C1LBAIL слита RT809H (т.к. не получилось нормально слить на UFPI) и этот дамп зашит в KLM8G1GETF-B041.
      Далее KLM8G1GETF-B041 слита на UFPI, поставлена в телевизор. Проверено, всё работает!
      В комплекте два дампа EMMC под RT809H и под UFPI, eEPROM и два SPI.
       
       
       
        • Спасибо
      • 0 ответов
    • Haier 50 Smart TV BX, USB Firmware Software
      50 Smart TV BX, T-con CC500PV1D
      USB Firmware Software
      upgrade_no_tvcertificate.pkg
       
        • Спасибо
        • Отлично!
      • 2 ответа
  • Статистика Загрузок

    9 278
    Файлы
    1 692
    Комментариев
    1 085
    Отзывов
    Последний файл
    Автор Kenotronbot

    1    0

Объявления

×
×
  • Создать...

Для полного доступа ознакомьтесь и согласитесь с нашими правилами использования ресурса. Пожалуйста, уделите этому внимание и прочтите правила внимательно!

Правила Условия использования Политика конфиденциальности Мы разместили cookie-файлы на ваше устройство, чтобы помочь сделать этот сайт лучше. Вы можете изменить свои настройки cookie-файлов, или продолжить без изменения настроек.